[PAPER 2]
Essay
[60 marks]

Answer eight questions in all: five questions from Part I and three questions from Part II.

PART I
[15 marks]

Answer any five questions from this part.

All questions carry equal marks.


1. (a) What is a dimensionless quantity?

(b) The frictional force, f, between a box of mass m and a table is given by:

$$f = \mu mg$$

where \( g \) is the acceleration due to gravity. Show that the coefficient of friction, \( \mu \), is dimensionless.

[3 marks]


2. (a) Define spring constant, \( k \), of a spring.

(b) A helical spring is stretched by an amount \( e \), under a constant force \( F \). Show that the energy stored in the spring depends only on \( k \) and \( e \).

[3 marks]


3. (a) What is a laser?

(b) State two uses of a laser beam.

[3 marks]


4. State one application of a magnet in each of the following areas of activity:

(a) Exploration and Navigation;

(b) Industry and Constructional sites;

(c) Medical.

[3 marks]


5. Draw a section of the structure of a fibre optics cable showing:

(a) the core;

(b) the cladding;

(c) signal transmission through it.

[3 marks]


6. (a) What is a parking orbit?

(b) State the uses of a geostationary satellite.

[3 marks]


7. A missile aimed at a target on a wall 12.5 m high is fired at \(24.0 \, \text{m/s}\). Determine and state whether or not the target will be hit when the angle of projection is \(40^\circ\).

\([g = 10 \, \text{m/s}^2]\)

[3 marks]





PART II
[45 marks]

Answer three questions from this part.
All questions carry equal marks

.


8. (a) Explain the term moment of forces.

[3 marks]


(b) A uniform metal tube of length 10 m and mass 100 kg is suspended horizontally by two flexible cords attached at 100 cm and 300 cm respectively from the ends of the tube. Find the tension in each of the cords. [g = 10 m/s2]

[4 marks]


(c) (i) With the aid of a diagram explain two types of equilibrium.

(ii) State two examples of couple.

[4 marks]


(d) A uniform cylindrical object with height 0.8 m and base diameter 0.4 m is placed on an inclined plane. If the plane makes an angle \(\theta\) with the horizontal such that it is just enough to make the object topple, calculate the value of \(\theta\).

[4 marks]


9. (a) Explain the statement the linear expansivity of a body is \(3.0 \times 10^{-9}\, \text{K}^{-1}\).

[2 marks]


(b) Explain why power lines are always connected in sag.

[3 marks]


(c) An iron tyre of diameter 60 cm, at 20°C is to be shrunk onto a wheel of diameter 60.45 cm. If the tyre is to be heated to a temperature \(T\) so as to slip over the wheel, calculate \(T\). [Linear expansivity of iron = \(1.2 \times 10^{-5}\, \text{K}^{-1}\)]

[2 marks]


(d) State two merits each of:

(i) Thermoelectric thermometer;
(ii) Constant volume gas thermometer.

[4 marks]


(e) State four effects of heat on a substance.

[4 marks]


10. (a) (i) Distinguish between pole and center of curvature of a spherical mirror.

(ii) Describe how the approximate focal length of a concave mirror could be determined.

[4 marks]


(b) A concave mirror of focal length 10 cm forms a magnified image on a screen 15 cm from the object. Calculate the image distance.

[4 marks]


(c) A spot at the bottom of a vessel of uniform cross-sectional area 10 cm2 filled with alcohol of volume 75 cm3 appeared to be displaced by 2 cm when viewed vertically at the top. Calculate the refractive index of the alcohol.

[4 marks]


(d) Explain why the pitch of the sound produced by a guitar increases when its string is tightened.

[3 marks]


11. (a) State two factors that determine the sensitivity of a moving-coil galvanometer.

[2 marks]


(b) (i) A bulb is connected to a source of electricity. State two effects of adding more bulbs in series with the first one.

(ii) An electrical technician wishes to reduce the current passing through a galvanometer to 0.05 times its initial value by means of a resistor. The internal resistance of the galvanometer is 100 Ω.

[5 marks]


(c) Explain why a voltmeter is always connected across a load.

[2 marks]


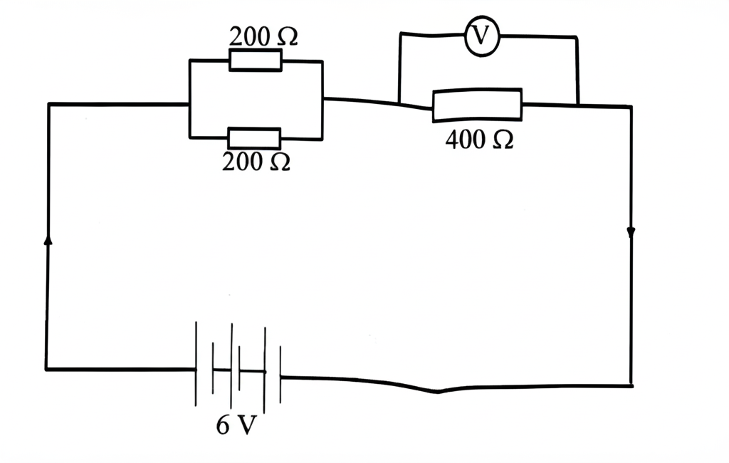
(d) The figure below is a circuit diagram. Calculate the reading on the voltmeter across the 400 Ω resistor.

Circuit Diagram

[6 marks]


12. (a) (i) Define count rate as applied to radiation detection.

(ii) State how the count rate is related to the activity of a sample.

[3 marks]


(b) When is radioactive process said to be:

(i) spontaneous?

(ii) random?

[4 marks]


(c) State three applications of radioisotope in medicine.

[3 marks]


(d) A radioactive sample decreases by \(\Delta N\) in an interval of \(\Delta t\) such that the number of undecayed nuclei in it is \(N\). Using the information provided, write an expression for the:

(i) activity of the sample;

(ii) decay constant.

[2 marks]


(e) An electromagnetic radiation of frequency \(1.3 \times 10^{15} \, \text{Hz}\) is incident on an aluminum surface and the maximum speed of photoelectrons emitted from the surface is \(5.6 \times 10^{5} \, \text{m/s}\). Calculate the work function of Aluminum.

[mass of electron = \(9.1 \times 10^{-31} \, \text{kg}\)] [Planck's Constant = \(6.6 \times 10^{-34} \, \text{Js}\)]

[3 marks]


END OF PAPER

Back
×

About StudyWASSCE

Our Mission: To provide free, accessible, and comprehensive exam preparation resources for West African students preparing for their WASSCE and LJHSCE examinations.

Our Story

StudyWASSCE was created in 2023 by an independent content creator who recognized a critical gap in accessible educational resources for West African students. After witnessing countless students struggle to find quality past examination papers and affordable study materials, I dedicated myself to building a comprehensive, completely free platform that would level the playing field for all students, regardless of their economic background.

The Creator Behind StudyWASSCE

As an independent educational content creator, I have invested countless hours researching, compiling, and organizing past examination papers from official sources. My commitment stems from a deep belief that every student deserves access to quality educational resources, regardless of their financial circumstances.

My Journey:

  • Extensive Research: Spent months collecting and verifying past WASSCE and LJHSCE papers from multiple reliable sources
  • Quality Assurance: Personally reviewed and cross-checked answers against official marking schemes and educational standards
  • User-Friendly Design: Developed an intuitive platform that works seamlessly on mobile devices, tablets, and computers
  • Continuous Improvement: Regularly update content and platform features based on student needs and feedback

What Makes StudyWASSCE Different

Completely Free Access

  • No Hidden Costs: Absolutely no subscriptions, registration fees, or premium tiers
  • No Account Required: Instant access to all materials without personal information
  • Sustainable Model: Supported by ethical advertising to maintain free access

Verified and Reliable Content

  • Official Sources: All examination papers sourced from legitimate past examinations
  • Accurate Answers: Solutions verified against official marking schemes
  • Clear Explanations: Simple, easy-to-understand explanations for complex concepts
  • Regular Updates: New papers added as they become available

Student-Focused Design

  • Mobile Optimized: Perfect for studying on phones during commutes or breaks
  • Organized by Subject: Easy navigation through different subjects and paper types
  • Instant Feedback: Immediate answers for objective questions
  • Accessible Language: Content written in clear, understandable English

Our Specialized Focus

Unlike general educational platforms, StudyWASSCE specializes exclusively in:

  • WASSCE Preparation: Comprehensive coverage of all major WASSCE subjects including Biology, Chemistry, Physics, Mathematics, English Language, Literature, History, Geography, and Economics
  • LJHSCE Preparation: Complete resources for General Science, Language Arts, Mathematics, and Social Studies
  • West African Context: Content specifically tailored for the West African educational system and curriculum

Supporting Free Education

How We Stay Free

StudyWASSCE operates on a sustainable model that keeps education free while ensuring quality:

  • Ethical Advertising: We display relevant, age-appropriate advertisements that support our free service
  • Google AdSense Partnership: Professional advertising relationships that maintain user experience
  • Data Analytics: Anonymous usage data helps us improve content and user experience
  • Community Support: Voluntary contributions from users who appreciate our mission

Our Commitment to Privacy

  • No Personal Data Collection: We don't require or store personal student information
  • Transparent Practices: Clear policies about cookies and analytics usage
  • Student Safety: Age-appropriate content and advertising standards

Impact and Reach

Since launching, StudyWASSCE has:

  • Provided free access to thousands of students across West Africa
  • Supported both school-based and private candidates
  • Helped students from rural and urban areas access quality study materials
  • Assisted parents and teachers in supporting student preparation
  • Contributed to improved examination performance in target demographics

Looking Forward

Continuous Development

As an independent creator, I am committed to:

  • Expanding Content: Adding more subjects and past papers as they become available
  • Improving Features: Enhancing user experience based on student feedback
  • Maintaining Quality: Ensuring all content remains accurate and up-to-date
  • Preserving Free Access: Never compromising on our commitment to free education

Educational Partnerships

We welcome partnerships with:

  • Educational institutions seeking to support their students
  • Teachers who want to incorporate our resources in their classrooms
  • Educational organizations committed to accessible learning
  • Technology partners who share our vision of free education

Contact the Creator

As the independent creator behind StudyWASSCE, I personally respond to:

  • Content Feedback: Suggestions for improving explanations or adding new materials
  • Technical Issues: Problems with site functionality or mobile access
  • Partnership Inquiries: Collaboration opportunities with educational institutions
  • Student Support: Questions about using the platform effectively

Response Commitment: I personally review and respond to all messages within 48-72 hours.

A Personal Note

Education transformed my life, and I believe it can transform the lives of every student who has access to quality resources. StudyWASSCE represents my personal commitment to ensuring that no student is left behind due to lack of access to study materials. Every hour I spend improving this platform is an investment in the future of West African education.

Thank You for Your Support! By using StudyWASSCE and viewing our advertisements, you help sustain this free educational resource. Your success is our success, and every student who passes their examinations using our materials validates our mission.

StudyWASSCE: Created by an independent educator, for students everywhere.
Empowering West African students through free, accessible education.

×

Privacy Policy

1. Who We Are

StudyWASSCE is an independent educational platform created to provide free access to past exam papers and study materials for WASSCE and LJHSCE examinations. We are committed to helping students succeed while maintaining transparency about our data practices.

2. Information We Collect

To improve our service and comply with advertising requirements, we collect the following information:

2.1 Automatically Collected Data

  • Google Analytics: We use Google Analytics to collect anonymous usage statistics including pages visited, time spent on site, user location (country/region level), device type, and browser information
  • Server Logs: Basic technical information such as IP addresses, access times, and pages requested
  • Device Information: Browser type, operating system, screen resolution, and language preferences for site optimization

2.2 Cookies and Tracking Technologies

  • Essential Cookies: Required for basic site functionality
  • Analytics Cookies: Used by Google Analytics to understand site usage
  • Advertising Cookies: Used by Google AdSense and other advertising partners to show relevant ads

3. How We Use Your Information

We use collected information to:

  • Analyze site usage patterns to improve content and user experience
  • Identify the most valuable study materials for students
  • Optimize site performance and fix technical issues
  • Comply with advertising platform requirements
  • Generate anonymous reports on site performance

4. Advertising and Third-Party Services

Our site is supported by advertising to keep educational content free. We work with the following third-party services:

4.1 Google AdSense

  • Google AdSense may use cookies and web beacons to serve ads based on your interests
  • You can opt out of personalized advertising by visiting Google's Ad Settings
  • Google's use of advertising cookies enables it and its partners to serve ads based on your visit to our site and other sites on the Internet

4.2 Google Analytics

  • We use Google Analytics to understand how visitors use our site
  • Google Analytics uses cookies to collect information anonymously
  • You can opt out by installing the Google Analytics Opt-out Browser Add-on

5. Data Sharing

We do not sell or rent personal information. We may share data with:

  • Google: Through Analytics and AdSense services as described above
  • Hosting Providers: For technical operations and security
  • Legal Requirements: When required by law or to protect our rights

6. Consent and Your Choices

Required for Site Access: By using StudyWASSCE, you consent to our data collection practices as described in this policy. This includes:

  • Essential cookies for site functionality
  • Analytics data collection for site improvement
  • Advertising cookies to support our free educational content

Your Options:

  • Browser Settings: You can disable cookies in your browser, though this may affect site functionality
  • Ad Personalization: While we require ad display for free access, you can control ad personalization through Google's Ad Settings
  • Alternative Access: If you cannot accept these terms, we recommend using school computers or libraries that may have different privacy settings

Note: Continued use of our platform indicates your ongoing consent to these practices.

7. Data Security

We implement appropriate technical and organizational security measures to protect the information we collect. However, no internet transmission is completely secure, and we cannot guarantee absolute security.

8. Children's Privacy

Our site is designed for students of all ages. We do not knowingly collect personal information from children under 13 without parental consent. If you believe we have collected such information, please contact us immediately.

9. International Users

Our site is hosted and operated from servers that may be located in different countries. By using our site, you consent to the transfer of your information to these locations.

10. Changes to This Policy

We may update this privacy policy periodically to reflect changes in our practices or legal requirements. We will post any changes on this page with an updated revision date. Continued use of our site after changes constitutes acceptance of the updated policy.

11. Contact Information

If you have any questions about this privacy policy or our data practices, please contact us via WhatsApp at +231-770450825, by email at davidlamine96@gmail.com, or through our Facebook page @Study For WASSCE.

×

Terms of Service

Last Updated: January 15, 2025

Important Notice: By using StudyWASSCE, you agree to these Terms of Service and our Privacy Policy. This site uses cookies and displays advertisements to provide free educational content.

1. About StudyWASSCE

1.1 Who We Are

StudyWASSCE is an independent educational platform created and maintained by a dedicated content creator who has worked extensively to compile and organize past examination papers for WASSCE (West African Senior School Certificate Examination) and LJHSCE (Liberian Junior High School Certificate Examination). Our mission is to provide free access to quality educational resources for students preparing for these national examinations.

1.2 Our Content

All examination papers, questions, and educational materials on this platform have been carefully curated from publicly available past examination papers. We provide:

  • Past WASSCE examination papers with answers and explanations
  • Past LJHSCE examination papers with answers and explanations
  • Study guides and educational resources
  • Free access to all content without requiring user accounts

2. Acceptance of Terms

By accessing, browsing, or using StudyWASSCE in any way, you acknowledge that you have read, understood, and agree to be bound by these Terms of Service and our Privacy Policy. If you do not agree to these terms, please discontinue use of our platform immediately.

3. Free Educational Service

3.1 No Cost Access

StudyWASSCE provides completely free access to all educational content. You are not required to:

  • Create an account or provide personal information
  • Pay any fees or subscriptions
  • Download any special software

3.2 Revenue Model

To maintain this free service, StudyWASSCE is supported by:

  • Google AdSense: We display advertisements through Google's advertising network
  • Other Advertising Partners: We may work with additional reputable advertising networks
  • Voluntary Support: Users may voluntarily support the platform through donations (when available)

4. Advertising and Cookies Policy

4.1 Advertisement Display

Required for Free Access: Advertisements are essential to maintaining our free educational service. By using StudyWASSCE, you consent to the display of advertisements throughout the platform.

4.2 Google AdSense Compliance

Our advertising practices comply with Google AdSense policies:

  • Advertisements are clearly labeled and distinguished from educational content
  • We do not encourage clicking on ads or engage in fraudulent ad practices
  • Ad placement follows Google's guidelines for user experience
  • We maintain editorial independence from advertisers

4.3 Cookie Usage

Essential for Site Operation: StudyWASSCE uses cookies for:

  • Site Functionality: Essential cookies for basic website operations
  • Analytics: Google Analytics cookies to understand site usage and improve content
  • Advertising: Cookies used by Google AdSense and other advertising partners to display relevant ads
  • Performance: Cookies to optimize site speed and user experience

By using our site, you consent to our use of cookies as described in our Privacy Policy.

5. Content Usage and Intellectual Property

5.1 Educational Use License

StudyWASSCE grants you a limited, non-exclusive, non-transferable license to access and use our content for personal educational purposes only. You may:

  • View and study all available examination papers and materials
  • Print materials for personal study use
  • Share links to our platform with other students

5.2 Prohibited Uses

You may NOT:

  • Commercial Use: Sell, license, or profit from our content
  • Redistribution: Republish our content on other websites or platforms without written permission
  • Bulk Download: Use automated tools to download large portions of our content
  • Copyright Violation: Claim ownership of our compiled materials
  • Platform Abuse: Use our site in ways that harm functionality or other users' experience
  • Ad Interference: Block, manipulate, or fraudulently interact with advertisements

5.3 Original Compilation Rights

While individual examination questions may be public domain, our compilation, organization, explanations, and presentation represent original work protected by intellectual property rights.

6. Data Collection and Analytics

6.1 Google Analytics

We use Google Analytics to collect anonymous usage data to improve our educational content and user experience. This includes:

  • Pages visited and time spent on content
  • Geographic location (country/region level)
  • Device and browser information
  • Traffic sources and navigation patterns
  • Popular content and study materials

6.2 Purpose of Data Collection

We use this data to:

  • Identify the most valuable study materials for students
  • Improve site performance and user experience
  • Understand which subjects need more content
  • Optimize content for mobile and desktop users
  • Generate reports for potential educational partnerships

7. User Responsibilities

7.1 Appropriate Use

Users must:

  • Use the platform responsibly and ethically
  • Respect intellectual property rights
  • Not attempt to circumvent advertising or tracking systems
  • Report technical issues or inappropriate content
  • Accept that advertisements are part of the free service model

7.2 Age Requirements

StudyWASSCE is designed for students of all ages. Users under 13 should have parental consent before using our platform, particularly regarding cookie acceptance and data collection.

8. Content Accuracy and Educational Disclaimers

8.1 Best Effort Accuracy

While we strive for accuracy in all educational content:

  • Answers and explanations are provided to the best of our knowledge
  • Users should verify information with official sources when possible
  • We welcome corrections and improvements to our content
  • Content is regularly reviewed and updated

8.2 Educational Supplement

Important: StudyWASSCE is a study supplement and should not replace formal education, textbooks, or qualified instruction. Users should use our resources alongside official study materials and classroom learning.

9. Platform Availability and Technical Issues

9.1 Service Availability

We strive to maintain consistent platform availability, but cannot guarantee:

  • 100% uptime or uninterrupted access
  • Compatibility with all devices and browsers
  • Freedom from technical errors or bugs
  • Immediate resolution of technical issues

9.2 Maintenance and Updates

We reserve the right to:

  • Perform scheduled maintenance that may temporarily limit access
  • Update content, features, and platform functionality
  • Modify the user interface and user experience
  • Implement new advertising formats or partners

10. Privacy and Data Protection

10.1 Privacy Commitment

We are committed to protecting user privacy while providing free educational services. Our data collection practices are detailed in our Privacy Policy and comply with:

  • Google AdSense privacy requirements
  • Google Analytics terms of service
  • Applicable data protection regulations
  • Best practices for educational websites

10.2 Third-Party Services

Our platform integrates with reputable third-party services that have their own privacy policies:

  • Google AdSense: For advertisement serving
  • Google Analytics: For usage analytics
  • Hosting Providers: For platform infrastructure

11. Limitation of Liability

11.1 Educational Use Disclaimer

StudyWASSCE is provided "as is" for educational purposes. We disclaim liability for:

  • Examination results or academic performance
  • Decisions made based on our content
  • Technical issues affecting access to materials
  • Third-party advertisements or external links
  • Loss of study time due to platform unavailability

11.2 Maximum Liability

In no event shall StudyWASSCE be liable for any indirect, incidental, special, or consequential damages arising from platform use, even if advised of the possibility of such damages.

12. Compliance and Legal Requirements

12.1 Advertising Standards

Our advertising practices comply with:

  • Google AdSense Publisher Policies
  • Local advertising standards and regulations
  • Educational content guidelines
  • Age-appropriate advertising requirements

12.2 Copyright Compliance

We respect intellectual property rights and maintain compliance with copyright laws regarding educational fair use of examination materials.

13. Platform Modifications and Updates

13.1 Content Updates

We regularly update our platform with:

  • New examination papers as they become available
  • Improved explanations and study materials
  • Enhanced user interface and functionality
  • Updated advertising formats and placements

13.2 Terms Modifications

We reserve the right to modify these Terms of Service to:

  • Comply with changing advertising policies
  • Reflect new platform features or content
  • Address legal or regulatory requirements
  • Improve user experience and service quality

Updated terms will be posted on this page with revision dates. Continued use after changes constitutes acceptance of updated terms.

14. Governing Law and Jurisdiction

These Terms of Service shall be governed by and construed in accordance with the laws of the Republic of Liberia. Any disputes arising from these terms or platform use shall be subject to the jurisdiction of Liberian courts.

15. Severability

If any provision of these Terms of Service is found to be unenforceable or invalid, that provision shall be limited or eliminated to the minimum extent necessary so that the remaining terms remain in full force and effect.

16. Entire Agreement

These Terms of Service, together with our Privacy Policy, constitute the entire agreement between you and StudyWASSCE regarding platform use and supersede all prior agreements or understandings.

17. Contact Information

For questions about these Terms of Service, content issues, or platform feedback, please contact us through:

For Urgent Issues: Technical problems affecting site access, inappropriate advertisements, or content errors.

For Partnership Inquiries: Educational institutions, content contributors, or collaboration opportunities.

Thank you for using StudyWASSCE! Your use of our platform helps us continue providing free educational resources to students across West Africa. We appreciate your support through advertisement viewing and ethical use of our content.

© 2025 StudyWASSCE. All rights reserved.
Supporting West African education through free access to quality study materials.